新聞中心
產品中心
聯系我們
深圳市東么川伺服控制技術有限公司
電話:13316379101
郵箱:1355229533@qq.com
地址:深圳市龍華區民治街道樟坑社區青創城A棟B502
DM3722A三相步進驅動器使用手冊說明
發布時間:2020-06-05 10:00:24
目 錄
1.使用指導…………………………………………………....02
1.1安裝環境…………………………………………….....02
1.2注意事項………………………………………….........02
2.產品簡介……………………………………………...…......03
2.1產品概述………………………………………………03
2.2性能特點……………………………………………...03
2.3應用領域…………………………………………........04
3.電氣、機械、環境指標………………………………….....…04
3.1電氣特征…………………………………………….…04
3.2工作環境…………………………………………..…...04
3.3安裝尺寸…………………………………………….....05
3.4散熱方式………………………………………………..06
4.接口功能說明……………………………………………….…06.
4.1功率端口……………………………………….…….....06
4..2通信端口………………………………………. …...…06
4.3控制信號接口…………………………………………...07
4.4狀態指示………………………………………………..08
5.控制信號接線……………………………………………….....08
5.1單端接線圖……………………………………………...08
5.2差分接線圖……………………………………………....09
5.3控制信號時序圖及接線要求………………………………10
6. 電流及半流與參數學習設置…………………………………….11
6.1細分設定…………………...…………………………..…12
7.附:保修條款&維修流程…………………………………………13
l 安裝的環境必須沒有水氣,腐蝕性氣體及可燃性氣體
l 接線時禁止將電源接至電機輸出端子,一旦接錯時將損壞驅動器
l 在通電時,請勿拆解驅動器、電機或更改配線
l 在通電運作前,請確定緊急停機裝置是否隨時啟動
l 在通電運作時,請勿接觸散熱片,以免燙傷
本使用操作手冊適合下列使用者參考
l 安裝或配線人員
l 試轉調機人員
l 維護或檢查人員
驅動器用于通用工業設備。要注意下列事項:
(1).為了確保正確操作,在安裝、接線和操作之前必須通讀操作說明書。
(2).勿改造產品。
(3).當在下列情況下使用本產品時,應該采取有關操作、維護和管理的相關措施。在這種情況下,請與我們聯系。
① 用于與生命相關的醫療器械。
② 用于可能造成人身安全的設備,例如:火車或升降機。
③ 用于可能造成社會影響的計算機系統
④ 用于有關對人身安全或對公共設施有影響的其他設備。
(4).對用于易受震動的環境,例如:交通工具上操作,請咨詢我們。
(5).如未按上述要求操作,造成直接或間接損失,我司將不承擔相關責任
2.1、概述:
DM3722采用最新 32位DSP處理器為運算核心,定位于高技術水準通用全隔離型的三相高壓大功率步進電機驅動器。它以比交流伺服更為先進的軟件算法結合強勁的三相功率推動單元.卓越的性能表現在,高速大力矩輸出,低噪聲,低振動,低發熱,由于采用內置動態微細分技術,即使在低細分的條件下,也能夠達到高細分的效果,低中高速運行都很平穩,噪音超小。驅動器具有電機參數學習及控制參數自動整定,及運行過程微調自適應參數的變化功能,能夠針對不同電機自動生成最優運行參數,最大限度發揮電機的性能。
2.2、特點:
●全隔離,更安全,更可靠,避免超大規模集成電路DSP處理器工作在存在隨機干擾的熱地。
●抗干擾能力強,對外干擾小,可以與大功率變頻器群組,大功率伺服群組一起工作。
●內置超高動態細分,超低振動噪聲,對于一些簡單應用可取代伺服。
●參數理論計算及學習校正與快速自整定技術
●智能電流控制,提高動態Q值,使電機發熱大為降低
●改進型PWM控制算法及整機低功耗技術使電機及驅動器發熱量更小。
●靜止時電流自動減半,半流延時軟件可設. 全流切換到半流無明顯的噪音與振動。
●多種輸入方式,支持脈沖方向,雙脈沖,編碼器跟隨
●光隔離差分信號輸入,輸入信號電壓5V—24V兼容,高速光電隔離,最高響應頻率 250Kpps
●驅動器溫度檢測功能,散熱器風扇根據溫度情況實行智能開啟與關閉,延長風扇壽命及避免增加散熱上的積塵。
●適合驅動86,110,130電感量大于10mH步進電機。
●具有過壓、欠壓、短路等保護功能
●智能診錯功能,方便診斷各種錯誤
●5-24V輸入信號自適應,無須外接電阻

3.4、散熱方式:
1)驅動器的可靠工作溫度通常在 60℃以內,電機工作溫度為80℃以內;
2)馬達停止時電流自動減一半,以減少電機和驅動器的發熱;
3)安裝驅動器時請采用豎著側面安裝,使散熱齒形成較強的空氣對流;
4)驅動器內部有溫度傳感裝置,當溫度達到45℃時開啟驅動器上的風扇。
接口功能說明
4.1、功率端口
4.2、通信端口
驅動器通過RS232接口與計算機通信實現設置方式,半流時間等參數的設定,驅動器必須采用專用通信電纜與計算機進行通信,自行接線極易造成因接線錯誤引發燒毀通信接口電路。驅動器出廠參數能滿足大部分用戶要求,專用通信電纜作為備選件供用戶選購,對有需要更改參數的用戶可與驅動器廠商聯系
4.3、控制信號接口

5.4、注釋
1)T0: MF(使能信號)應提前 DR 至少 5mS,確定為高。通常MF+和 MF-懸空。
2)T1:DR 至少提前PU 下降沿 3μs。
3)T2:脈沖寬度至少不小于 1.0μs。
4)T3:低電平寬度不小于于 1.0μs。
4、接線要求
1)為了防止驅動器受干擾,建議控制信號采用屏蔽電纜線,并且屏蔽層與地線短接,除特殊要求外,控制信號電纜的屏蔽線單端接地:屏蔽線的上位機一端接地,屏蔽線的驅動器一端懸空。同一機器內只允許在同一點接地,如果不是真實接地線,可能干擾嚴重,此時屏蔽層不接。
2)脈沖和方向信號線與電機線不允許并排包扎在一起,最好分開至少 10cm 以上,否則電機噪聲容易干擾脈沖方向信號引起電機定位不準,系統不穩定等故障。
3)如果一個電源供多臺驅動器,應在電源處采取并聯連接,不允許先到一臺再到另一臺鏈狀式連接。
4)嚴禁帶電拔插驅動器強電端子,帶電的電機停止時仍有大電流流過線圈,拔插端子 將導致巨大的瞬間感生電動勢將燒壞驅動器。
5)嚴禁將導線頭加錫后接入接線端子,否則可能因接觸電阻變大而過熱損壞端子。
6)接線線頭不能裸露在端子外,以防意外短路而損壞驅動器。
7)嚴禁一臺驅動器帶多臺電機(通過繞組串聯方式),由于采用高性能控制方式,電機參數必須具有真實性與可測性,多臺電機連接嚴重破壞電機參數真實性。運行效果變差。
電流、細分及半流與參數學習設置
驅動器采用八位撥碼開關設定細分精度、動態電流、靜止半流以及實現電機參數學習與PID整定。八位撥碼開關詳細描述如下:


6.4、參數自整定功能
若 SW8 在 1 秒之內往返撥動一次,驅動器便可自動完成電機參數學習和PID參數整定;在新接或更新電機、電源供電電壓條件發生變化時請重新學習參數,否則,電機可能運行效果不理想或甚至不正常運行。參數學習階段,脈沖輸入及方向改變將無效。
由于拔碼開關比較小,對于手指比較粗的操作人員要在1秒鐘內拔動一次有時變得困難,因此,在設計驅動器軟件時采用最右端拔碼開關(SW8)作為學習觸發開關,方便右手操作(大部分人右手比較靈活),觸發參數學習推薦方法如下:如果SW8處于ON時將拔到OFF位置,然后用右手食指指甲碰在SW8開關上,然后輕輕晃動兩下,電動發出調諧聲音,調完后紅色LED將會亮一下,表示完成,如果未能觸發,則把晃動的力度稍大些,直至觸發成功。參數學習完成后,要恢復SW8之前的狀態.
附:東么川保修條款
為創造品牌,提高企業知名度,樹立企業形象,我公司本著“一切追求高質量,用戶滿意為宗旨”的精神,以“最優惠的價格、最周到的服務、最可靠的產品質量”的原則向您鄭重承諾:一年保修期,東么川公司對產品的原材料和工藝缺陷提供從發貨日起一年的質保,在保修期內,東么川為有缺陷的產品提供免費維修服務。
維修流程:
1.維修產品,發貨前需致電東么川伺服客戶服務人員,與客服人員提前溝通;
2.附寄書面說明書,說明返修驅動器的故障現象,故障發生時的電壓、電流和使用環境等情況,聯系人的姓名、電話號碼及郵寄地址等信息;
3.郵費寄至深圳市龍華區雪崗北路清湖動力園A6棟二樓A區深圳市東么川伺服控制技術有限公司,聯系人:楊先生
本文相關產品:三相高壓步進驅動器DM3722A
1.使用指導…………………………………………………....02
1.1安裝環境…………………………………………….....02
1.2注意事項………………………………………….........02
2.產品簡介……………………………………………...…......03
2.1產品概述………………………………………………03
2.2性能特點……………………………………………...03
2.3應用領域…………………………………………........04
3.電氣、機械、環境指標………………………………….....…04
3.1電氣特征…………………………………………….…04
3.2工作環境…………………………………………..…...04
3.3安裝尺寸…………………………………………….....05
3.4散熱方式………………………………………………..06
4.接口功能說明……………………………………………….…06.
4.1功率端口……………………………………….…….....06
4..2通信端口………………………………………. …...…06
4.3控制信號接口…………………………………………...07
4.4狀態指示………………………………………………..08
5.控制信號接線……………………………………………….....08
5.1單端接線圖……………………………………………...08
5.2差分接線圖……………………………………………....09
5.3控制信號時序圖及接線要求………………………………10
6. 電流及半流與參數學習設置…………………………………….11
6.1細分設定…………………...…………………………..…12
7.附:保修條款&維修流程…………………………………………13
使用指導
在使用之前,請您仔細詳讀本手冊以確保使用上的正確。此外,請將它妥善放置在安全的地點以便隨時查閱。下列在您尚未讀完本手冊時,請務必遵守事項:l 安裝的環境必須沒有水氣,腐蝕性氣體及可燃性氣體
l 接線時禁止將電源接至電機輸出端子,一旦接錯時將損壞驅動器
l 在通電時,請勿拆解驅動器、電機或更改配線
l 在通電運作前,請確定緊急停機裝置是否隨時啟動
l 在通電運作時,請勿接觸散熱片,以免燙傷
本使用操作手冊適合下列使用者參考
l 安裝或配線人員
l 試轉調機人員
l 維護或檢查人員
驅動器用于通用工業設備。要注意下列事項:
(1).為了確保正確操作,在安裝、接線和操作之前必須通讀操作說明書。
(2).勿改造產品。
(3).當在下列情況下使用本產品時,應該采取有關操作、維護和管理的相關措施。在這種情況下,請與我們聯系。
① 用于與生命相關的醫療器械。
② 用于可能造成人身安全的設備,例如:火車或升降機。
③ 用于可能造成社會影響的計算機系統
④ 用于有關對人身安全或對公共設施有影響的其他設備。
(4).對用于易受震動的環境,例如:交通工具上操作,請咨詢我們。
(5).如未按上述要求操作,造成直接或間接損失,我司將不承擔相關責任
2.1、概述:
DM3722采用最新 32位DSP處理器為運算核心,定位于高技術水準通用全隔離型的三相高壓大功率步進電機驅動器。它以比交流伺服更為先進的軟件算法結合強勁的三相功率推動單元.卓越的性能表現在,高速大力矩輸出,低噪聲,低振動,低發熱,由于采用內置動態微細分技術,即使在低細分的條件下,也能夠達到高細分的效果,低中高速運行都很平穩,噪音超小。驅動器具有電機參數學習及控制參數自動整定,及運行過程微調自適應參數的變化功能,能夠針對不同電機自動生成最優運行參數,最大限度發揮電機的性能。
2.2、特點:
●全隔離,更安全,更可靠,避免超大規模集成電路DSP處理器工作在存在隨機干擾的熱地。
●抗干擾能力強,對外干擾小,可以與大功率變頻器群組,大功率伺服群組一起工作。
●內置超高動態細分,超低振動噪聲,對于一些簡單應用可取代伺服。
●參數理論計算及學習校正與快速自整定技術
●智能電流控制,提高動態Q值,使電機發熱大為降低
●改進型PWM控制算法及整機低功耗技術使電機及驅動器發熱量更小。
●靜止時電流自動減半,半流延時軟件可設. 全流切換到半流無明顯的噪音與振動。
●多種輸入方式,支持脈沖方向,雙脈沖,編碼器跟隨
●光隔離差分信號輸入,輸入信號電壓5V—24V兼容,高速光電隔離,最高響應頻率 250Kpps
●驅動器溫度檢測功能,散熱器風扇根據溫度情況實行智能開啟與關閉,延長風扇壽命及避免增加散熱上的積塵。
●適合驅動86,110,130電感量大于10mH步進電機。
●具有過壓、欠壓、短路等保護功能
●智能診錯功能,方便診斷各種錯誤
●5-24V輸入信號自適應,無須外接電阻
|
●智能診錯功能,方便診斷各種錯誤 ●5-24V輸入信號自適應,無須外接電阻 2.3、應用領域 : 適用于各種大中型自動化設備,如 雕刻機、簡易數控機床、電腦繡花、等離子和火焰切割、紡織機械、自動包裝、陶瓷機械、自動鉚接等數控設備上,在用戶期望小噪聲、高速度的設備中應用效果特佳。 電氣、機械、環境指標 3.1、電氣特性
3.2、工作環境
|

3.4、散熱方式:
1)驅動器的可靠工作溫度通常在 60℃以內,電機工作溫度為80℃以內;
2)馬達停止時電流自動減一半,以減少電機和驅動器的發熱;
3)安裝驅動器時請采用豎著側面安裝,使散熱齒形成較強的空氣對流;
4)驅動器內部有溫度傳感裝置,當溫度達到45℃時開啟驅動器上的風扇。
接口功能說明
4.1、功率端口
| 名稱 | 說明 |
| N | 220V電源輸入 |
| L | |
| PE | 接地 |
| W | 電機W相繞組 |
| V | 電機V相繞組 |
| U | 電機U相繞組 |
4.2、通信端口
驅動器通過RS232接口與計算機通信實現設置方式,半流時間等參數的設定,驅動器必須采用專用通信電纜與計算機進行通信,自行接線極易造成因接線錯誤引發燒毀通信接口電路。驅動器出廠參數能滿足大部分用戶要求,專用通信電纜作為備選件供用戶選購,對有需要更改參數的用戶可與驅動器廠商聯系
4.3、控制信號接口
|
端口 定義 |
接頭針腳號 | 標記符號 | 功能 | 注釋 |
| DB15 | 1 | PU+ | 輸入信號光電隔離正端 | 供電電源,+5V,+24V均可驅動 |
| 2 | PU- | DP9= OFF, PU為步進脈沖信號 | 下降沿有效,每當脈沖由高變低時電機走一步,要求:低電平0-0.5V,高電平4-27V,脈沖寬度>2.5μS | |
| DP9=ON, PU為正相步進脈沖信號 | ||||
| 3 | DR+ | 輸入信號光電隔離正端 | 供電電源,+5V,+24V均可驅動 | |
| 4 | DR- | DP9= OFF, DR為方向控制信號 | 用于改變電機轉向。要求:低電平0-0.5V,高電平4-27V,脈沖寬度>2.5μS | |
| DP9=ON, DR為反向步進脈沖信號 | ||||
| 7 | MF+ | 輸入信號光電隔離正端 | 供電電源,+5V,+24V均可驅動 | |
| 8 | MF- | 電機釋放信號 | 有效(低電平)時關斷電機接線電流,驅動器停止工作,電機處于自由狀態 | |
| 9 | ALM+ | 驅動器故障輸出信號光電隔離正端 | 驅動器出現過流、過熱故障時,驅動器輸出故障信號,該信號有效(低電平) | |
| 10 | ALM- | 驅動器故障輸出信號光電隔離負端 | ||
| 11 | RDY+ | 驅動器準備好輸出信號光電隔離正端 | 驅動器狀態正常,準備就緒接受控制器信號時該信號有效(低電平) | |
| 12 | RDY- | 驅動器準備好輸出信號光電隔離負端 | ||
| 13 | 24PU+ | 輸入信號光電隔離正端 | +24V可驅動 | |
| 14 | 24DU+ | 輸入信號光電隔離正端 | +24V可驅動 | |
| 15 | 24MF+ | 輸入信號光電隔離正端 | +24V可驅動 |
|
4.4、狀態指示 綠色 LED 為電源指示燈,當驅動器接通電源時,該 LED 常亮;當驅動器切斷電源時,該LED 熄滅。紅色 LED 為故障指示燈,當出現故障時,該指示燈根據故障類型,以0.2秒循環閃爍設定的次數.然后以1秒間隔繼續重復以0.2秒循環閃爍設定的次數。直到故障被用戶清除,紅色 LED常滅。 故障類型對應的閃爍次數如下表:
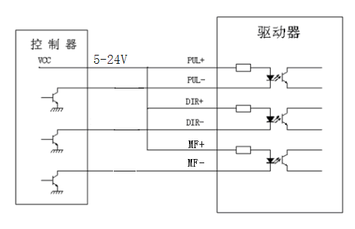
5.1、控制信號采用單端接線方式時,接線圖如下圖所示 ![]() |

5.4、注釋
1)T0: MF(使能信號)應提前 DR 至少 5mS,確定為高。通常MF+和 MF-懸空。
2)T1:DR 至少提前PU 下降沿 3μs。
3)T2:脈沖寬度至少不小于 1.0μs。
4)T3:低電平寬度不小于于 1.0μs。
4、接線要求
1)為了防止驅動器受干擾,建議控制信號采用屏蔽電纜線,并且屏蔽層與地線短接,除特殊要求外,控制信號電纜的屏蔽線單端接地:屏蔽線的上位機一端接地,屏蔽線的驅動器一端懸空。同一機器內只允許在同一點接地,如果不是真實接地線,可能干擾嚴重,此時屏蔽層不接。
2)脈沖和方向信號線與電機線不允許并排包扎在一起,最好分開至少 10cm 以上,否則電機噪聲容易干擾脈沖方向信號引起電機定位不準,系統不穩定等故障。
3)如果一個電源供多臺驅動器,應在電源處采取并聯連接,不允許先到一臺再到另一臺鏈狀式連接。
4)嚴禁帶電拔插驅動器強電端子,帶電的電機停止時仍有大電流流過線圈,拔插端子 將導致巨大的瞬間感生電動勢將燒壞驅動器。
5)嚴禁將導線頭加錫后接入接線端子,否則可能因接觸電阻變大而過熱損壞端子。
6)接線線頭不能裸露在端子外,以防意外短路而損壞驅動器。
7)嚴禁一臺驅動器帶多臺電機(通過繞組串聯方式),由于采用高性能控制方式,電機參數必須具有真實性與可測性,多臺電機連接嚴重破壞電機參數真實性。運行效果變差。
電流、細分及半流與參數學習設置
驅動器采用八位撥碼開關設定細分精度、動態電流、靜止半流以及實現電機參數學習與PID整定。八位撥碼開關詳細描述如下:


6.4、參數自整定功能
若 SW8 在 1 秒之內往返撥動一次,驅動器便可自動完成電機參數學習和PID參數整定;在新接或更新電機、電源供電電壓條件發生變化時請重新學習參數,否則,電機可能運行效果不理想或甚至不正常運行。參數學習階段,脈沖輸入及方向改變將無效。
由于拔碼開關比較小,對于手指比較粗的操作人員要在1秒鐘內拔動一次有時變得困難,因此,在設計驅動器軟件時采用最右端拔碼開關(SW8)作為學習觸發開關,方便右手操作(大部分人右手比較靈活),觸發參數學習推薦方法如下:如果SW8處于ON時將拔到OFF位置,然后用右手食指指甲碰在SW8開關上,然后輕輕晃動兩下,電動發出調諧聲音,調完后紅色LED將會亮一下,表示完成,如果未能觸發,則把晃動的力度稍大些,直至觸發成功。參數學習完成后,要恢復SW8之前的狀態.
附:東么川保修條款
為創造品牌,提高企業知名度,樹立企業形象,我公司本著“一切追求高質量,用戶滿意為宗旨”的精神,以“最優惠的價格、最周到的服務、最可靠的產品質量”的原則向您鄭重承諾:一年保修期,東么川公司對產品的原材料和工藝缺陷提供從發貨日起一年的質保,在保修期內,東么川為有缺陷的產品提供免費維修服務。
維修流程:
1.維修產品,發貨前需致電東么川伺服客戶服務人員,與客服人員提前溝通;
2.附寄書面說明書,說明返修驅動器的故障現象,故障發生時的電壓、電流和使用環境等情況,聯系人的姓名、電話號碼及郵寄地址等信息;
3.郵費寄至深圳市龍華區雪崗北路清湖動力園A6棟二樓A區深圳市東么川伺服控制技術有限公司,聯系人:楊先生
本文相關產品:三相高壓步進驅動器DM3722A
- 上一篇:伺服電機轉速設定多少轉速比較合理?
- 下一篇:DM3722B步進電機驅動器使用說明
產品推薦:兩相步進電機
產品推薦:無刷電機
產品推薦:兩相步進驅動器
產品推薦:直流無刷驅動器





























地址 ADDRESS